 
                        Contáctanos


• Cambio rápido de trabajo
• Accionado por correa trapezoidal acanalada
• Capacidades de trabajo de múltiples tipos
• Con bump & turn integrado permite girar las cajas 90º y su alineación
• Sección inferior con cierre de seguridad de longitud extra
• Sección adicional de plegado y cierre con portador central plegable
• Adecuado para cajas de línea recta, de fondo cerrado, de 4 y 6 esquinas y más
| MODELO | 650 | 800 | 1100 | 
| Material de papel | Cartón 210-800 GSM, flauta B/N/E/F | ||
| Velocidad máxima | 400 m/min | ||
| Grosor máximo de la caja plegada | 12 milímetros | ||
| Modo de plegado | El pliegue 1 y el pliegue 3 son 180° y 135°, el pliegue 2 y el pliegue 4 son 180° | ||
| Fuente de alimentación | 3P 380V 50HZ | ||
| Ancho en blanco | 650 milímetros | 800 milímetros | 1100 milímetros | 
| Largo X Ancho X Alto | 13 x 1,3 x 1,3 m | 15 x 1,5 x 1,3 m | 15 x 1,8 x 1,3 m | 
| Peso neto | 5,5 toneladas | 7,5 toneladas | 8 toneladas | 
| Potencia total | 28,6 kW | 31,18 kW | 31,18 kW | 

| Sección de Alimentación ·Impulsado por motor de frecuencia variable y |  | 
| Sección del alineador ·Corrección de la alimentación del papel |  | 
| Sección de preplegado·Primera línea de plegado 180°, tercera línea de plegado 135° pre-plegado |  | 
| Sección inferior del bloqueo de choque·Tablero de cinturón superior tipo seccional con diseño especial. |  | 
| Tanque de encolado inferior ·Gran volumen. |  | 
|  | Dispositivo de 4/6 esquinas ·Sistema electrónico de plegado trasero motorizado y sin temporizador | 
|  | Sección de plegado y cierre ·Carro central abatible mediante sistema neumático | 
|  | Trombón ·El cinturón se puede ajustar por separado. | 
|  | Cuadrado de caja·Recogida de cajas de forma continua y automática | 
|  | Transportador ·Equipado con un cinturón de esponja adicional especial para | 
|  | Sistema de pulverización ·Equipado con tres cañones | 
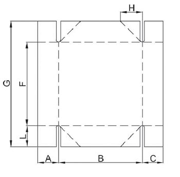
| Caja de línea recta | 
 | |||
| Modo de plegado | Dos acarreos | Tres acarreos | ||
| Modelo | Tipo 650 | Tipo 800 | Tipo 1100 | |
| Si+C+Re+Mi | 130-650 | 140-800 | 200-1100 | |
| C+D (Mín.) | 65 | 70 | 100 | |
| F | 70-800 | 70-800 | 70-800 | |
| G (Máx.) | 800 | 800 | 800 | |
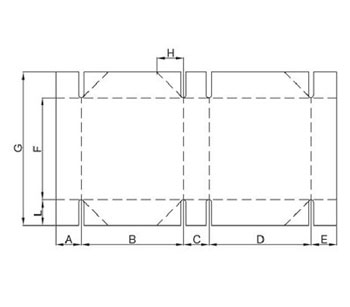
| Caja inferior con cierre de seguridad | 
 | |||
| Modo de plegado | Dos acarreos | Tres acarreos | ||
| Modelo | Tipo 650 | Tipo 800 | Tipo 1100 | |
| Si+C+Re+Mi | 130-650 | 140-800 | 200-1100 | |
| C+D (Mín.) | 65 | 70 | 100 | |
| F | 70-800 | 70-800 | 70-800 | |
| G (Máx.) | 800 | 800 | 800 | |
| H (mín.) | 25 | 25 | 25 | |
| L | 30-100 | 30-100 | 30-100 | |
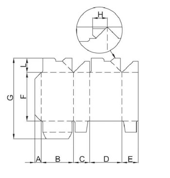
| Caja de 4 esquinas | 
 | |||
| Modo de plegado | Dos acarreos | Tres acarreos | ||
| Modelo | Tipo 650 | Tipo 800 | Tipo 1100 | |
| A+B+C | 120-650 | 120-800 | 120-1100 | |
| B (Mín.) | 65 | 65 | 75 | |
| F | 70-800 | 70-800 | 70-800 | |
| G (Máx.) | 800 | 800 | 800 | |
| H (mín.) | 25 | 25 | 25 | |
| L | 30-100 | 30-100 | 30-100 | |
| Caja de 6 esquinas | 
 | |||
| Modo de plegado | Dos acarreos | Tres acarreos | ||
| Modelo | Tipo 650 | Tipo 800 | Tipo 1100 | |
| A+B+C+D+E | 210-650 | 210-800 | 210-1100 | |
| B (Mín.) | 90 | 90 | 90 | |
| C (mín.) | 30 | 30 | 30 | |
| F | 70-800 | 70-800 | 70-800 | |
| G (Máx.) | 800 | 800 | 800 | |
| H (mín.) | 25 | 25 | 25 | |
| L | 30-100 | 30-100 | 30-100 | |

650LC-S

800LC-S

1100LC-S

Si tiene alguna consulta sobre presupuestos o colaboración, no dude en contactarnos a every@gaokemachine.com o utilice el siguiente formulario. Nuestro representante de ventas se pondrá en contacto con usted en 24 horas. Gracias por su interés en nuestros productos.
Importante cobertura de red de servicio global
Centros de mecanizado de última generación
Precisión excepcional Equipo experimentado
Experiencia en montaje y diseño
Las máquinas están disponibles con opciones de personalización
Servicios eficientes de instalación y mantenimiento
Soporte remoto para resolución de problemas
Consulta en línea disponible 24/7
La industria del embalaje evoluciona rápidamente. A medida que las líneas de producción exigen mayor velocidad, precisión y consistencia, la automatización inteligen...
Mucha gente confía en las laminadoras de película para proteger o mejorar productos de papel, desde cajas de embalaje hasta materiales impresos, pero pocos conocen l...
Una laminadora de flauta es fundamental para la producción de envases, pero su rendimiento depende en gran medida de un mantenimiento adecuado. Muchos usuarios pasan...
SOLICITE UNA COTIZACIÓN